Запасные части ЧТЗ Запасные части ЧТЗ
Севастополь
Например:
Актобе
Алдан
или
Выбрать автоматически
Актобе
Алдан
Алматы
Алчевск
Архангельск
Астана
Астрахань
Атырау
Баку
Балашиха
Барнаул
Белгород
Бердянск
Бишкек
Владивосток
Владикавказ
Воркута
Воронеж
Горловка
Грозный
Донецк
Екатеринбург
Иваново
Ижевск
Иркутск
Казань
Калининград
Каменск-Уральский
Караганда
Каховка
Кемерово
Киров
Комсомольск-на-Амуре
Костанай
Краснодар
Красноярск
Красный луч
Ленск
Луганск
Магадан
Магнитогорск
Макеевка
Махачкала
Мелитополь
Минск
Мирный (Якутия)
Москва
Мурманск
Нерюнгри
Нижневартовск
Нижний Новгород
Нижний Тагил
Новая каховка
Новокузнецк
Новосибирск
Новый Уренгой
Норильск
Ноябрьск
Нур-Султан
Омск
Оренбург
Ош
Павлодар
Пермь
Петрозаводск
Петропавловск
Петропавловск-Камчатский
Псков
Ростов-на-Дону
Салехард
Самара
Санкт-Петербург
Саратов
Севастополь
Семей
Симферополь
Сочи
Ставрополь
Сургут
Сыктывкар
Тараз
Ташкент
Токмак
Томск
Тында
Тюмень
Ульяновск
Усинск
Усть-Каменогорск
Уфа
Хабаровск
Ханты-Мансийск
Херсон
Челябинск
Чита
Шымкент
Экибастуз
Энергодар
Южно-Сахалинск
Якутск
Ваш город
Севастополь
Войти
Запасные части к тракторам на одном сайте
+7 (932) 303-00-10
+7 (932) 303-00-10
г. Севастополь, ул. Отрадная, д. 17/1
Пн-Пт: 9:30-18:30 Cб-Вс: Выходной
Отправить заявку


Внешнее оборудование ЧТЗ


/
с НДС 20%
Описание

К внешнему оборудованию относятся капот, пол, крылья, кабина, сиденья, топливный бак и отопительно-вентиляционная установка.





Капот трактора Т-130М

Капот (рис. 88) предохраняет двигатель и его основные составные части от воздействия внешней среды (дождя, грязи, снега и т. п.), защищает радиатор.

Рис. 88. Капот Т-130М


1 — решетка радиаторов,
2 — передняя крыша,
3 — упор передней крыши,
4 — крышка люков для проверки зазора в клапанах дизеля,
5 — задняя крыша,
6 — опора крыши,
7 — створки,
8 — лонжерон.

Крыша капота состоит из двух частей: передней 2 и задней 5. Передняя крыша откидывается в левую сторону на шарнирах. Шарниры имеют овальные пазы, с помощью которых передняя крыша регулируется по ширине для обеспечения симметричного расположения спереди относительно решетки 1 радиатора, сзади — относительно задней крыши капота. С правой стороны к передней крыше прикреплены крючки защелок. Крючки позволяют регулировать как по высоте, так и по длине крыши капота. По длине обеспечивается симметричность с защелками, приваренными к гидробаку, по высоте — необходимая сила прижатия к гидробаку.

Решетка радиатора открывается на шарнирах в правую сторону. Шарниры также имеют овальные пазы для симметричности относительно гидробаков. Решетку можно регулировать по высоте.

В задней крыше капота имеются люки с крышками 4, через которые можно проверить правильность зазоров в газораспределительном механизме двигателя.

При монтаже задней крыши капота ее не регулируют.

Створки капота в передней части крепятся к гидробаку, в задней — к опоре 6 крыши капота (вверху) и к крыльям (внизу).

Монтируя кронштейны створок, вначале устанавливают равномерный зазор Г «10 мм между створками и лонжеронами 8, затем монтируют нижние кронштейны так, чтобы нажимные кольца снаружи створок находились примерно посредине прорезей.

Во время эксплуатации трактора при температуре ниже 278 К (5° С) капот утепляют чехлами, прикрепляя их скобами, приваренными к капоту, и ремешками, пришитыми к чехлам. На чехле, надеваемом на решетку радиатора, имеется клапан, которым можно регулировать тепловой режим двигателя (открывая или. закрывая клапан). Особого ухода за капотом не требуется, лишь периодически подтягивают ослабевшие крепления.

Пол, крылья и кабина Т-130М

Пол в кабине находится над кожухом сцепления. Он состоит из отдельных съемных панелей (рис. 89), прикрепленных к передней и задней балкам и уголкам 5, 7 крыльев 12.

Рис. 89. Пол и крылья Т-130М


1 — панель передняя правая,
2 — накладка,
3, 4 — пластина,
5, 7 — уголок,
6 — панель задняя,
8, 10 — прокладка,
9 — панель средняя,
11 — панель передняя левая,
12 — крыло.

Каждая панель составлена из двух половин, между которыми проложен термоизоляционный картон. В панелях сделаны соответствующие вырезы для рычагов и педалей управления. На задней 6 панели предусмотрено место для аккумуляторной батареи, инструментального ящика и сиденья.

Сверху на панели уложен резиновый коврик с поролоновой прокладкой.

Крылья трактора выполнены в виде углообразной штамповки и прикреплены болтами к лонжеронам и корпусу заднего моста. В правом крыле предусмотрен люк, через который можно проникнуть к клапану гидрораспределителя. Крылья являются основной опорной связью для кабины, пола и топливного бака.

Пол и крылья периодически очищают от пыли и грязи, подтягивают ослабевшие крепления.

Кабина (рис. 90) двухместная, двухдверная, имеет оконные проемы с четырех сторон, оборудована отопителем калориферного типа, подсоединенным к системе охлаждения двигателя, плафоном для освещения, термосом для питьевой воды, футляром для аптечки первой помощи, зеркалом 15 и солнцезащитным козырьком 12. Внутри кабины с левой стороны имеется клипса для лопаты.

Рис. 90. Кабина Т-130М


1 — ручка,
2 — ось,
3 — уплотнитель ГН-350,
4 — защелка,
5 — дверь,
6, 8, 21, 22 — оконный проем,
7 — лючок,
9 — прокладка,
10 — панель,
11 — каркас,
12 — козырек,
13 — прижим,
14 — кронштейн,
15 — зеркало,
16 — кронштейн фары,
18 — кант ПХВ,
19 — окантовка,
20 — рамка,
23 — шарнир,
24 — болт.

Кабина установлена на крылья, заднюю и переднюю балки через резиновые прокладки 9.

Каркас кабины сварной. В ниши, образованные внутренними панелями, заложены маты из супертонкого базальтового волокна, которые служат для теплоизоляции кабины. Внутренние декоративные обшивки крепятся к металлическим панелям пластмассовыми кнопками. Резиновые уплотнители дверей 5, заднего окна и люка для доступа к рычагам управления запуском двигателя приклеены клеем 88НП.

Оконные проемы 6, 8, 17, 21, 22 застеклены закаленным безопасным стеклом. Каждая дверь 5 подвешена на двух шарнирах 23. При монтаже дверей необходимо обеспечить одинаковый зазор между дверью и дверным проемом каркаса за счет овальных пазов в каркасе под шарнирами, а также плотное прилегание резинового уплотнителя к дверному проему за счет овальных пазов в двери под шарнирами и защелкой 4 замка на передней стойке каркаса.

Двери фиксируются в открытом положении специальными защелками, верхняя часть двери упирается с натягом 2—6 мм в резиновый буфер.

На крыше кабины установлены фары 16 освещения и отопительновентиляционная установка.

Внутри кабины имеется крючок для одежды, зеркало 15 на сферической опоре. Солнцезащитный козырек 12 крепится к передней стенке кабины.

Термос устанавливается на резиновый коврик пола кабины и крепится к планке передней стенки кабины на левой ее стороне резиновым ремнем.

Ежедневно кабину очищают от пыли и грязи и подтягивают ослабевшие крепления.

Сиденья Т-130М

В кабине трактора установлены два сиденья: регулируемое подрессоренное — для водителя и нерегулируемое — для пассажира.

Сиденье водителя (рис. 91) крепится к опоре четырьмя болтами, к двум передним с помощью планок прикреплено ограждение, чтобы ноги тракториста не травмировались о детали подвески сиденья. Сиденье водителя состоит из четырехзвенника 5 параллелограммного типа и посадочного места. Посадочное место выполнено в виде двух металлических панелей, к которым крепятся подушки сиденья и спинки.

Рис. 91. Сиденье Т-130М


1 — подушка,
2 — подушка подлокотника,
3 — панель сиденья,
4 — кронштейн для продольного перемещения сиденья,
5 — четырехзвенник,
6 — скоба,
7 — рукоятка регулировки сиденья по массе водителя,
8 — рукоятка регулировки сиденья по высоте водителя,
9 — вилка,
10 — пружина;
А — механизм наклона спинки сиденья,
В — крепление ремня безопасности.

Четырехзвенник 5 состоит из двух нижних и двух верхних кронштейнов, соединенных между собой осями.

На этих же осях установлены верхние и нижние звенья параллелограмма.

К верхним кронштейнам крепится опора, к которой монтируют панель с посадочным местом и. подлокотниками.

Подвеска сиденья водителя имеет гидравлический амортизатор. Роль упругого элемента выполняет пружина 10, установленная в вилке 9 по диагонали параллелограмма. При необходимости сиденье регулируют по массе и росту водителя. Регулировку сиденья по массе водителя осуществляют рукояткой 7, которой сжимают или ослабляют пружину 10 до указанных на вилке меток 60, 90 и 120, обозначающих массу водителя в килограммах. Сиденье по росту водителя регулируют в двух плоскостях: в горизонтальной вдоль оси трактора и вертикальной.

В горизонтальной плоскости сиденье регулируют, перемещая панели; после регулировки сиденье крепят двумя болтами, расположенными с двух сторон панели сиденья. В вертикальной плоскости сиденье регулируют, вращая рукоятку 8, которой поднимается или опускается сиденье от среднего регулировочного положения на ±40 мм. Угол наклона спинки сиденья регулируют механизмом А в пределах 5—20°.

Сиденье пассажира представляет собой подушку, которая установлена на сварную опору и фиксируется двумя упорами. В ящике сиденья пассажира хранится инструмент.

По мере износа осей подвески сиденья необходимо повернуть их на 180°, т. е. неизношенной стороной.

В случае вытекания жидкости или повреждения гидроамортизатора устраняют повреждения и дозаправляют амортизатор веретенным маслом в объеме 50 ±5 см3.

При мойке кабины воду, попавшую на подушку и спинки сидений, вытирают насухо. По мере необходимости подушки и спинки протирают. Нельзя допускать, чтобы на обшивку подушек попадало масло или дизельное топливо.

Смазку во втулки подвески закладывают при сборке сиденья.

Топливный бак Т-130М

Устройство топливного бака

Топливный бак 3 (рис. 92) вмещает 290 л, установлен на тракторе сзади и закреплен двумя стяжными лентами 4 к опорам 8, прикрепленным к крыльям. От смещений при движении трактора бак фиксируется штифтами 9, приваренными к опорам.

Рис. 92. Топливный бак Т-130М


1 — трубка слива топлива от форсунок,
2 — крышка горловины топливного бака,
3 — топливный бак,
4 — стяжная лента,
5 — резиновая прокладка — уплотнение,
6 — сливной кран,
7 — проходной кран,
8 — опора бака,
9 — штифт,
10 — топливопровод,
11 — фильтр грубой очистки топлива.

Между опорами бака и опорами, прикрепленными к крыльям, установлены резиновые уплотнения 5.

Топливный бак неразъемный. Он сварен из листовых штампованных половин. Внутри бака имеется шесть перегородок для уменьшения колебаний топлива при движении трактора. В перегородках сделаны вырезы, через которые свободно перетекает топливо. В днище топливного бака установлены сливной 6 и проходной 7 краны и приварена бонка с конической резьбой, к которой через ниппель подсоединена трубка для слива топлива от форсунок. К верхней плоскости бака приварена заливная горловина.

В заливную горловину бака вставлен сетчатый фильтр с сеткой и топливомерная линейка. Фильтр удерживается в горловине бака пружинным кольцом. Сверху горловина бака закрывается крышкой 2. Через отверстие в крышке внутренняя полость бака сообщается с атмосферой. Чтобы через это отверстие внутрь бака не попадала пыль, в крышке имеется набивка.

При заправке топливного бака вручную в воронку с сеткой вставляют полотно (фланель, сукно ворсистой стороной наружу). Заправочный инвентарь хранят в пыленепроницаемом ящике и содержат в чистоте.

Чтобы удалить топливо из бака, на штуцер сливного крана 6 надевают шланг и вращают штуцер против часовой стрелки. Вместе со свинчивающимся штуцером под давлением топлива будет отходить шайба, освобождая шарик, при этом топливо через шланг будет сливаться в тару.

Для открытия крана 7 его ручку вывинчивают до отказа вниз, что обеспечит поджатие внутренней уплотнительной прокладки к штуцеру и исключит подтекание топлива через уплотнение у ручки, которое возможно кратковременно во время перевода ручки из одного крайнего положения в другое.

Обслуживание топливного бака

В процессе работы трактора не рекомендуется расходовать все топливо.

Топливный бак трактора необходимо содержать в чистоте и заполнять его в конце рабочей смены, чтобы удалить насыщенный влагой воздух и предупредить конденсацию паров воды внутри бака.

Перед заполнением бака его крышку и пробку очищают от пыли. Периодически промывают сетчатый фильтр, открывают кран 6, расположенный на топливном баке снизу, сливают скопившиеся на дне бака осадки, снимают бак и промывают его чистым топливом. Перед промывкой бак тщательно вентилируют, промывают топливом до тех пор, пока через сливной кран не потечет чистое топливо. Набивку 2 (рис. 93) в крышке бака промывают в зависимости от условий работы и одновременно прочищают отверстие в крышке.

Рис. 93. Крышка топливного бака Т-130М


1 — прокладка,
2 — набивка,
3 — пробка

Оставлять бак с открытой заливной горловиной и без топлива на длительное время нельзя, так как в него попадают пыль и влага.

Для проверки бака на герметичность в него накачивают воздух под давлением 6—7 кПа (0,6—0,7 кгс/см²) и опускают в водяную ванну; выделяющиеся пузырьки воздуха свидетельствуют о нарушении герметичности бака. Трещины в баке заваривают, заполнив его водой.

Вентиляционноотопительная установка Т-130М

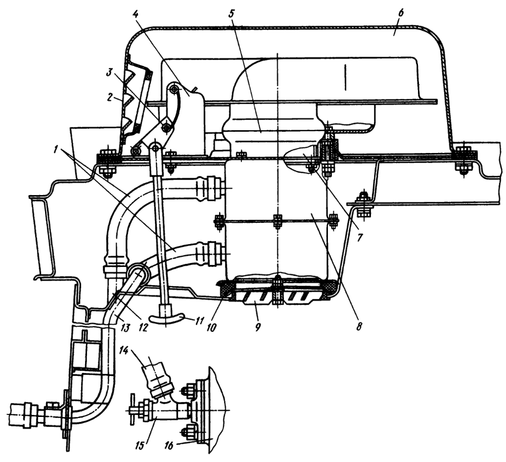
Кабина трактора оборудована вентиляционно-отопительной установкой (рис. 94) калориферного типа с инерционной очисткой воздуха, смонтированной на крыше кабины.

Рис. 94. Вентиляционно-отопительная установка Т-130М


1, 14 — резиновый шланг,
2 — решетка забора наружного воздуха,
3 — заслонка,
4 — кронштейн заслонки,
5 — резиновый патрубок,
6 — корпус установки,
7 — патрубок,
8 — радиатор-темплообменник,
9 — решетка,
10 — уплотнение,
11 — рукоятка заслонки,
12 — труба подвода горячей воды в радиатор-теплообменник из блока дизеля,
13 — труба отвода воды из радиатора-темплообменника в водоотводную трубу дизеля,
15 — разъединительный кран,
16 — блок дизеля.

Установка состоит из вентилятора (рис. 95) с электродвигателем и с системой инерционной очистки воздуха, воздуховодов, радиатора-теплообменника 8 (см. рис. 94), трубопроводов 12, 13 подвода и отвода горячей жидкости из системы охлаждения дизеля к радиатору-теплообменнику с разъединительным краником 15 и электропровода с включателем.

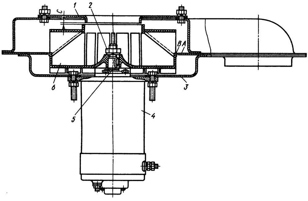
Рис. 95. Вентилятор вентиляционно-отопительной установки Т-130М


1 — фланец,
2 — гайка крепления крыльчатки,
3 — фланец крепления вентилятора,
4 — электродвигатель,
5 — регулировочные прокладки,
6 — крыльчатка вентилятора;
С — зазор 1 - 2 мм;
выступание поверхности В относительно поверхности А не более 1 мм.

Внешнее оборудование