Запасные части ЧТЗ Запасные части ЧТЗ
Севастополь
Например:
Актобе
Алдан
или
Выбрать автоматически
Актобе
Алдан
Алматы
Алчевск
Архангельск
Астана
Астрахань
Атырау
Баку
Балашиха
Барнаул
Белгород
Бердянск
Бишкек
Владивосток
Владикавказ
Воркута
Воронеж
Горловка
Грозный
Донецк
Екатеринбург
Иваново
Ижевск
Иркутск
Казань
Калининград
Каменск-Уральский
Караганда
Каховка
Кемерово
Киров
Комсомольск-на-Амуре
Костанай
Краснодар
Красноярск
Красный луч
Ленск
Луганск
Магадан
Магнитогорск
Макеевка
Махачкала
Мелитополь
Минск
Мирный (Якутия)
Москва
Мурманск
Нерюнгри
Нижневартовск
Нижний Новгород
Нижний Тагил
Новая каховка
Новокузнецк
Новосибирск
Новый Уренгой
Норильск
Ноябрьск
Нур-Султан
Омск
Оренбург
Ош
Павлодар
Пермь
Петрозаводск
Петропавловск
Петропавловск-Камчатский
Псков
Ростов-на-Дону
Салехард
Самара
Санкт-Петербург
Саратов
Севастополь
Семей
Симферополь
Сочи
Ставрополь
Сургут
Сыктывкар
Тараз
Ташкент
Токмак
Томск
Тында
Тюмень
Ульяновск
Усинск
Усть-Каменогорск
Уфа
Хабаровск
Ханты-Мансийск
Херсон
Челябинск
Чита
Шымкент
Экибастуз
Энергодар
Южно-Сахалинск
Якутск
Ваш город
Севастополь
Войти
Запасные части к тракторам на одном сайте
+7 (932) 303-00-10
+7 (932) 303-00-10
г. Севастополь, ул. Отрадная, д. 17/1
Пн-Пт: 9:30-18:30 Cб-Вс: Выходной
Отправить заявку


Ремонт маслопровода системы смазки коробки передач Т-170 Б-170 трактора в Севастополе


/
с НДС 20%
Описание

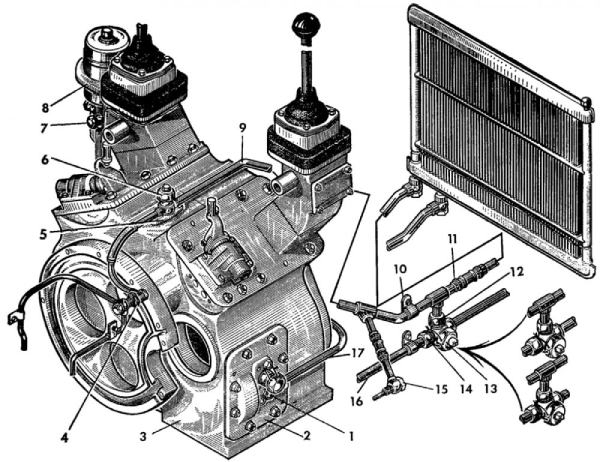
Снятие маслопровода системы смазки коробки передач Т-170

Снимите сиденье вместе с основанием. Отсоедините электропровод от датчика давления масла коробки передач и выверните датчик из переходного штуцера 6 ( рис. 218 ).

pelcx2sobt4tne3r53o37zs27nt7q2p6 (1)-min.jpg

Рис. 218. Маслопроводы системы смазки коробки передач

Выверните штуцер 4 и переходной штуцер 6. Снимите трубу 9 со штуцера 5. Выверните штуцер 15 (снизу, трактора) подвода масла к нижнему валу коробки передач 3. Выверните болт и снимите планку 10, отверните гайку 12 и ослабьте хомут И резинового шланга. Снимите трубу 9 с трактора. Выверните штуцер 1 и 7, отверните болт крепления хомута трубы 17 к корпусу коробки передач и снимите трубу с трактора. Выверните штуцер трубы 16 отвода масла от фильтра 8 коробки передач и гайку 14 от крана 13 и снимите трубу. Снимайте резиновые шланги с масляных труб только при их замене.

Установка маслопровода системы смазки коробки передач Т-170

Установите трубу 9 на штуцер 5, заведите конец трубы в резиновый шланг и затяните хомут 11. Заверните гайку 12. Подсоедините трубу 9 к крышке, нижнего вала штуцером 15 с медными прокладками. Подсоедините трубу 17 к масляному насосу 2 и к фильтру 8 штуцерами 1 и 7 с медными прокладками, закрепите хомутом на корпусе коробки передач. Подсоедините трубу 16 к крану 13, завернув гайку 14, и штуцером с медными прокладками к фильтру 8. Установите планку 10 и закрепите болтом. Наденьте на штуцер 5 медные прокладки и наверните переходной штуцер 6. Подсоедините трубу 9 штуцером 4 с медными прокладками к корпусу бортовых фрикционов. Вверните датчик давления масла в переходной штуцер 6 и подсоедините электропровод. Установите сиденье вместе с основанием.

Ремонт маслопровода системы смазки коробки передач