Запасные части ЧТЗ Запасные части ЧТЗ
Севастополь
Например:
Актобе
Алдан
или
Выбрать автоматически
Актобе
Алдан
Алматы
Алчевск
Архангельск
Астана
Астрахань
Атырау
Баку
Балашиха
Барнаул
Белгород
Бердянск
Бишкек
Владивосток
Владикавказ
Воркута
Воронеж
Горловка
Грозный
Донецк
Екатеринбург
Иваново
Ижевск
Иркутск
Казань
Калининград
Каменск-Уральский
Караганда
Каховка
Кемерово
Киров
Комсомольск-на-Амуре
Костанай
Краснодар
Красноярск
Красный луч
Ленск
Луганск
Магадан
Магнитогорск
Макеевка
Махачкала
Мелитополь
Минск
Мирный (Якутия)
Москва
Мурманск
Нерюнгри
Нижневартовск
Нижний Новгород
Нижний Тагил
Новая каховка
Новокузнецк
Новосибирск
Новый Уренгой
Норильск
Ноябрьск
Нур-Султан
Омск
Оренбург
Ош
Павлодар
Пермь
Петрозаводск
Петропавловск
Петропавловск-Камчатский
Псков
Ростов-на-Дону
Салехард
Самара
Санкт-Петербург
Саратов
Севастополь
Семей
Симферополь
Сочи
Ставрополь
Сургут
Сыктывкар
Тараз
Ташкент
Токмак
Томск
Тында
Тюмень
Ульяновск
Усинск
Усть-Каменогорск
Уфа
Хабаровск
Ханты-Мансийск
Херсон
Челябинск
Чита
Шымкент
Экибастуз
Энергодар
Южно-Сахалинск
Якутск
Ваш город
Севастополь
Войти
Запасные части к тракторам на одном сайте
+7 (932) 303-00-10
+7 (932) 303-00-10
г. Севастополь, ул. Отрадная, д. 17/1
Пн-Пт: 9:30-18:30 Cб-Вс: Выходной
Отправить заявку


Ремонт бортовых фрикционов Т-170 Б-170 трактора в Севастополе


/
с НДС 20%
Описание

Снятие бортовых фрикционов Т-170

Вывертывание технологической пробки ключомjpg

Рис. 229. Вывертывание технологической пробки ключом

Снимите кабину, топливный бак трактора. Выверните болты и снимите крышки верхних и задних люков корпуса бортовых фрикционов. Отсоедините от двуплечих рычагов тяги тормоза. Отверните регулировочные гайки с вилок тормозных лент и снимите двуплечие рычаги с вилками с кронштейнов. Выверните технологическую пробку 1 ( рис. 229 ) из корпуса бортовых фрикционов.

Снятие и установка бортового фрикциона

Рис. 230. Снятие и установка бортового фрикциона

Отсоедините трубку 9 ( рис. 230 ) подвода смазки к рычагам 3 бортовых фрикционов. Отверните контргайку 1 и шаровую гайку 2. Отсоедините вилку 4 от рычага 5, отверните болты 6, прикрепляющие фланец полуоси 7 к фланцу 8 вала конической шестерни. Отверните торцовым ключом болты 11, крепящие наружный барабан 13 к ведущему фланцу 12, через отверстие в корпусе бортовых фрикционов, из которого была вывернута пробка 1 ( см. рис. 229 ).

Отверните болты 6 и 11 ( см. рис. 230 ), за исключением одного с каждой стороны бортового фрикциона. При этом широкий паз 25 ( см. рис. 232 ) на торце внутреннего барабана 24 должен находиться в нижнем положении для того, чтобы при снятии бортового фрикциона через этот паз прошла пробка крепления фланца ведущей шестерни бортового редуктора.

Схема строповки бортового фрикциона

Рис. 231. Схема строповки бортового фрикциона

Захватите бортовой фрикцион приспособлением ( рис. 231 ) и подвесьте на подъемнике. Масса одного бортового фрикциона 125 кг. Выверните оставшиеся два болта 6 и 11 ( см. рис. 230 ). Снимите бортовой фрикцион с трактора.

Разборка бортовых фрикционов Т-170

Снимите с наружного барабана тормозную ленту. Нанесите на наружный и внутренний барабаны одноименную маркировку, чтобы при сборке установить их в один бортовой фрикцион.

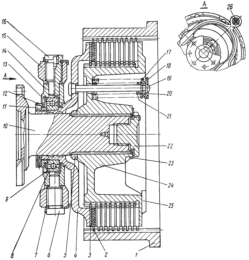
Фрикцион бортовой

Рис. 232. Фрикцион бортовой

Снимите наружный барабан 1 ( рис. 232 ). Отогните концы стопорных шайб 7 и выверните соединительные пальцы 6 и 16. Снимите рычаг 15.

Отогните концы стопорной шайбы 23 и выверните пробку 22 ( рис. 232 и 233 ).

Завертывание пробки

Рис. 233. Завертывание пробки

Нанесите метки на торец ступицы внутреннего барабана 24 и полуоси 10 для того, чтобы при сборке установить полуось в прежнее положение. Выпрессуйте полуось из внутреннего барабана (после окончательной разборки установите полуось по меткам во внутренний барабан во избежание разукомплектовки пары).

Приспособление для разборки и сборки бортового фрикциона

Рис. 234. Приспособление для разборки и сборки бортового фрикциона

Установите на бортовой фрикцион приспособление ( рис. 234 ) и сожмите пружины. Выньте из выточек пальцев 19 ( см. рис. 232 ) сухари 20. Медленно поднимите шток приспособления до полного разжатия пружин 17 и 21, снимите тарелки 18 и пружины. Установите бортовой фрикцион на торец внутреннего барабана 24 и снимите нажимную тарелку 4, кольцо 5 и диски 2 и 5 с наружными и внутренними зубьями. Снимите замковое кольцо 12, отверните гайку 11 с нажимной тарелки и спрессуйте корпус 14 упорного подшипника 8 с подшипником в сборе с нажимной тарелки. Снимите замковое кольцо 9 и отражатель 13. Выпрессуйте упорный подшипник из корпуса стержнем диаметром 5 мм через два отверстия в корпусе.

Технические требования бортовых фрикционов Т-170

  1. Гайка корпуса нажимного подшипника должна быть затянута до отказа и застопорена пружинным кольцом. При несовпадении отверстия гайки с отверстием в ступице нажимной тарелки просверлите новое отверстие диаметром 5+0,3 мм в ступице через отверстие в гайке.

  2. Нормальный диаметр полуоси бортового фрикциона 85±0,207 мм. Нормальный диаметр нажимной тарелки 85+0,070 мм. Допустимый зазор между полуосью и тарелкой 0,6 мм. Предельный зазор 1 мм.

  3. Допустимый боковой зазор в шлицах соединения внутреннего барабана и полуоси 1,17 мм, предельный зазор 1,92 мм.

  4. Нормальный диаметр наконечника рычага включения 35±0,340 мм и нормальный диаметр втулки 35+0,250 мм. Допустимый зазор между наконечниками и втулкой 1,15 мм. Предельный зазор 1,5 мм.

Сборка бортовых фрикционов Т-170

Посадите в корпус 14 ( см. рис. 232 ) с помощью оправки упорный шарикоподшипник 8 до упора в торец корпуса так, чтобы наружное кольцо подшипника с меньшим внутренним диаметром было обращено в сторону нажимной тарелки.

Проверьте рукой легкость вращения внутреннего кольца подшипника. Кольцо должно вращаться легко, без заеданий. Поставьте в отверстие корпуса отражатель 13 и закрепите его замковым кольцом 9. Запрессуйте в рычаг 15 с помощью оправки седло 26 шаровой гайки. Наденьте наконечник на рычаг 15 и конец расклепайте.

Протрите посадочные места на шейке нажимной тарелки 4. Нагрейте в масляной ванне корпус 14 с упорным шарикоподшипником до 363 К (90 °С) и посадите шарикоподшипник с корпусом на шейку нажимной тарелки до упора в бурт. Установите нажимную тарелку в приспособление, наверните специальным ключом и затяните до отказа гайку 11. Установите стопорное кольцо 12. Проверьте легкость вращения корпуса на подшипнике. Корпус должен вращаться легко, без заеданий. Выньте полуось 10 из барабана. Протрите полуось и посадочное отверстие в нажимной тарелке 4. Заполните полость В графитовой смазкой УСсА. Вставьте полуось в отверстие тарелки. Нагрейте в масляной ванне до 363 К (90 °С) кольцо 5 и напрессуйте его на полуось до упора в бурт. Отложите собранный комплект и дайте, остыть кольцу. Установите внутренний барабан 24 на верстак. Протрите и продуйте зубцы барабана 24 и наденьте на них поочередно десять дисков 2 с наружными зубьями и десять дисков 3 с внутренними зубьями. Наденьте на шлицы полуоси 10 внутренний барабан 24. Не запрессовывая полуось, установите восемь пальцев 19. Запрессуйте полуось во внутренний барабан. Переверните барабан с дисками и нажимной тарелкой и установите его под пресс на торец корпуса упорного подшипника. Выравняйте зубцы дисков с наружными зубьями специальной линейкой или наружным барабаном, наденьте на пальцы 19 внутренние пружины 21 и наружные пружины 17 и наложите на пружины тарелки 18. Установите на барабан приспособление ( см. рис. 234 ) и сожмите пружины. Проверьте толщину пакета дисков между плоскостями внутреннего барабана 24 ( см. рис. 232 ) и нажимной тарелкой 4, сжатого пружиной. Толщина пакета должна быть в пределах 96мм. При меньшей толщине пакета добавьте один диск с внутренними зубьями и установите его со стороны нажимной тарелки. Вложите сухари 20 в выточки пальцев 19 и выверните шток приспособления, при этом сухари должны войти в тарелки. Переверните барабан, установите его в приспособление на фланец полуоси. Установите шайбу 23 и закрепите полуось на барабане пробкой 22, как показано на рис. 233. Отогните концы шайбы на пробку и на внутренний барабан.

Переверните барабан и наденьте рычаг 15 ( см. рис. 232 ) в сборе на бобышки корпуса, 14 упорного подшипника (седлом шаровой гайки, обращенной к внутреннему барабану) и закрепите его на корпусе пальцами 6 и 16 со стопорными шайбами 7. Пальцы затяните до отказа и законтрите, отогнув концы стопорных шайб на головку пальца и рычаг.

Протрите и продуйте зубья наружного барабана 1 и наденьте-наружный барабан на диски, собранные с внутренним барабаном и нажимной тарелкой.

Установка бортовых фрикционов Т-170

Наденьте на бортовой фрикцион тормозную ленту 10 ( см. рис. 230 ). Захватите бортовой фрикцион приспособлением ( см. рис. 231 ) так,чтобы широкий паз 25 ( см. рис. 232 ) внутреннего барабана был обращен вниз. Опустите в корпус бортовой фрикцион так, чтобы пробка крепления фланца ведущей шестерни бортового редуктора прошла через широкий паз внутреннего барабана. Заведите конец рычага 3 (см. рис. 230) с наконечником в гнездо корпуса бортовых фрикционов. Вставьте в два верхних отверстия фланца 7 два болта 6 с замковой пластиной. Совместите отверстия фланца 7 с резьбовыми отверстиями фланца 8 и закрепите двумя болтами 6. Отсоедините подъемное приспособление, и проворачивая бортовой фрикцион, заверните остальные болты 6. Отогните края пластин на грани головок болтов. Совместите отверстия ведущего фланца 12 с резьбовыми отверстиями наружного барабана 13 и закрепите восемью болтами 11 с пружинными шайбами. Момент затяжки болтов 100...120 Н-м (10...12 кгс-м). Заворачивайте болты 11 через отверстие в корпусе бортовых фрикционов, из которого была вывернута технологическая пробка. Проверьте индикатором биение наружного барабана. Биение не должно быть более 0,8 мм. Заведите вилку 4 в отверстие рычага 3 и соедините вилку с рычагом 5 болтом с гайкой. Гайку зашплинтуйте. Наверните шаровую гайку 2 и контргайку 1. Подсоедините трубку 9 подвода смазки. Присоедините тормозную ленту к двуплечему рычагу (см. «Ремонт тормозной ленты и управления тормозами»). Вверните пробку 1 ( см. рис. 229 ). Присоедините тяги тормоза. Установите крышки люков корпуса бортовых фрикционов. Установите топливный бак и кабину.

Ремонт бортовых фрикционов