Запасные части ЧТЗ Запасные части ЧТЗ
Севастополь
Например:
Актобе
Алдан
или
Выбрать автоматически
Актобе
Алдан
Алматы
Алчевск
Архангельск
Астана
Астрахань
Атырау
Баку
Балашиха
Барнаул
Белгород
Бердянск
Бишкек
Владивосток
Владикавказ
Воркута
Воронеж
Горловка
Грозный
Донецк
Екатеринбург
Иваново
Ижевск
Иркутск
Казань
Калининград
Каменск-Уральский
Караганда
Каховка
Кемерово
Киров
Комсомольск-на-Амуре
Костанай
Краснодар
Красноярск
Красный луч
Ленск
Луганск
Магадан
Магнитогорск
Макеевка
Махачкала
Мелитополь
Минск
Мирный (Якутия)
Москва
Мурманск
Нерюнгри
Нижневартовск
Нижний Новгород
Нижний Тагил
Новая каховка
Новокузнецк
Новосибирск
Новый Уренгой
Норильск
Ноябрьск
Нур-Султан
Омск
Оренбург
Ош
Павлодар
Пермь
Петрозаводск
Петропавловск
Петропавловск-Камчатский
Псков
Ростов-на-Дону
Салехард
Самара
Санкт-Петербург
Саратов
Севастополь
Семей
Симферополь
Сочи
Ставрополь
Сургут
Сыктывкар
Тараз
Ташкент
Токмак
Томск
Тында
Тюмень
Ульяновск
Усинск
Усть-Каменогорск
Уфа
Хабаровск
Ханты-Мансийск
Херсон
Челябинск
Чита
Шымкент
Экибастуз
Энергодар
Южно-Сахалинск
Якутск
Ваш город
Севастополь
Войти
Запасные части к тракторам на одном сайте
+7 (932) 303-00-10
+7 (932) 303-00-10
г. Севастополь, ул. Отрадная, д. 17/1
Пн-Пт: 9:30-18:30 Cб-Вс: Выходной
Отправить заявку


Снятие и установка пускового двигателя П-23У трактора в Севастополе


/
с НДС 20%
Описание

Основные конструктивные отличия от двигателя П-23:

  • механизм проворачивания вала двигателя расположен на стенке блока;

  • изменена конструкция корпуса распределительных шестерен;

  • введено дистанционное управление запуском двигателя из кабины.

Снять и заменить некоторые узлы и детали пускового двигателя можно, не снимая его с дизеля, непосредственно на тракторе. Снять отдельно можно воздухоочиститель, карбюратор, впускной и выпускной коллекторы, головку цилиндров, кронштейн с толкателями клапанов и клапаны, магнето, механизм проворачивания вала, регулятор, корпус распределительных шестерен. Муфту механизма включения, шестерню включения и толкатель с пружинами можно снять и заменить также на тракторе, предварительно сняв верхнюю половину кожуха муфты сцепления трактора. При разборке блока, муфты сцепления и редуктора пусковой двигатель снимите с дизеля.

Перед снятием пускового двигателя (см. рис. 98) убедитесь в том, что шестерня включения выведена из зацепления с венцом маховика дизеля. Для этого выключите зажигание, включите муфту сцепления и редуктор. Проверните заводной рукояткой коленчатый вал пускового двигателя и убедитесь, что вентилятор дизеля не вращается, а значит шестерня выведена из зацепления.

При невозможности вывести из зацепления шестерню включения пуском дизеля, откройте люк верхней половины кожуха муфты сцепления дизеля, сожмите концы защелок муфты включения и выведите из зацепления шестерню.

Снятие пускового двигателя П-23У

Снять и заменить некоторые узлы и детали пускового двигателя можно, не снимая его с дизеля, непосредственно на тракторе. Снять отдельно можно воздухоочиститель, карбюратор, впускной и выпускной коллекторы, головку цилиндров, кронштейн с толкателями клапанов и клапаны, магнето, механизм проворачивания вала, регулятор, корпус распределительных шестерен. Муфту механизма включения, шестерню включения и толкатель с пружинами можно снять и заменить также на тракторе, предварительно сняв верхнюю половину кожуха муфты сцепления трактора. При разборке блока, муфты сцепления и.редуктора пусковой двигатель снимите с дизеля.

Перед снятием пускового двигателя (см. рис. 98) убедитесь в том, что шестерня включения выведена из зацепления с венцом маховика дизеля. Для этого выключите зажигание, включите муфту сцепления и редуктор. Проверните заводной рукояткой коленчатый вал пускового двигателя и убедитесь, что вентилятор дизеля не вращается, а значит шестерня выведена из зацепления.

При невозможности вывести из зацепления шестерню включения пуском дизеля, откройте люк верхней половины кожуха муфты сцепления дизеля, сожмите концы защелок муфты включения и выведите из зацепления шестерню.

Снятие. Слейте охлаждающую жидкость из системы охлаждения дизеля и масло из поддона пускового двигателя. Закройте краник бензобачка. Снимите воздухозаборник и заднюю крышу капота. Отсоедините от карбюратора топливную трубку, тросики управления заслонками, тягу регулятора. Отсоедините тяги от рычагов управления муфтой 4 сцепления, редуктора 3 и стартера 5. Снимите рычаги муфты сцепления и редуктора. Выверните четыре болта и снимите кронштейн с валиком 7 заводной рукоятки. Отсоедините впускной и выпускной коллекторы пускового двигателя 6 от выпускного коллектора дизеля.

Отсоедините резиновый шланг сигнализатора засоренности от воздухоочистителя дизеля. Ослабьте хомут на рукаве патрубка воздухоочистителя дизеля. Отверните восемь гаек с болтов кронштейнов воздухоочистителя и снимите его с дизеля. Снимите правый кронштейн воздухоочистителя и трубу, соединяющую турбокомпрессор с выпускным коллектором дизеля, вывернув четыре болта крепления верхнего и четыре болта крепления нижнего патрубков. Выверните четыре болта крепления водоотводящей трубы из головок цилиндров дизеля и два болта крепления из головок цилиндров пускового двигателя. Снимите водоотводящую трубу. Выверните четыре болта крепления водоподводящей трубы из блока пускового двигателя и два болта крепления из блока дизеля. Снимите трубу.

Отсоедините от турбокомпрессора трубку подвода масла, провод датчика указателя давления масла и сливную трубку. Отверните две гайки крепления к головке цилиндров заднего кронштейна воздухоочистителя дизеля, гайку крепления коллекторов дизеля и снимите кронштейн.

Застропите турбокомпрессор с выпускным коллектором и выпускной трубой, отверните три гайки крепления коллекторов и снимите турбокомпрессор. Снимите впускной коллектор с выхлопной трубой пускового двигателя.

Застропите пусковой двигатель как показано на рис. 99.

Схема строповки пускового двигателя
Рис. 99. Схема строповки пускового двигателя

Выверните двенадцать болтов 2 (см. рис. 98) крепления к блоку дизеля (болт 1 — призонный) и два болта крепления к кожуху маховика. Выведите шестерню включения из кожуха маховика, поднимите двигатель над лонжероном трактора и снимите двигатель с трактора. Масса пускового двигателя 206 кг.

Установка пускового двигателя П-23У

Установка пускового двигателя
Рис. 98. Установка пускового двигателя

Смажьте лаком «Герметик» привалочную поверхность блока дизеля и приклейте про кладку. Установите шестерню включения в выключенное положение. Застропите пусковой двигатель. Заведите двигатель шестерней включения в отверстие кожуха маховика. Зазор между кожухом маховика и редуктором пускового двигателя устраните регулировочными прокладками. Совместим крепежные отверстия блока дизеля с отверстиями в пусковом двигателе и вверните призонный болт 1 в блок. Закрепите пусковой двигатель призонный болтом, одиннадцатью болтами 2 к блоку дизеля и двумя болтами к кожуху маховика. Боковой зазор между зубьями шестерни включения и венца маховика должен быть равен 0,2...1 мм. Установите впускной коллектор с выхлопной трубой пускового двигателя и кронштейном воздухоочистителя. Установите на дизель турбокомпрессор с выхлопной трубой и выпускным коллектором. Закрепите коллекторы на трех шпильках гайками с прижимными планками. Установите задний кронштейн воздухоочистителя, закрепите его на шпильках головки дизеля двумя гайками и одной гайкой на шпильке крепления коллекторов.

Подсоедините к турбокомпрессору трубку подвода масла и провод датчика указателя давления, сливную трубку. Закрепите водоотводящий патрубок двумя болтами к головке цилиндров пускового двигателя и четырьмя болтами к головкам цилиндров дизеля. Закрепите водоподводящий патрубок к блоку пускового двигателя четырьмя болтами и двумя болтами к блоку дизеля. Закрепите восемью болтами нагнетательную трубу верхним патрубком на турбокомпрессоре, нижним патрубком с кронштейном воздухоочистителя дизеля на впускном коллекторе дизеля. Установите воздухоочиститель дизеля на кронштейны, вставьте выходной патрубок в рукав на турбокомпрессоре и закрепите воздухоочиститель на кронштейнах восемью болтами с пружинными шайбами и гайками. Затяните хомут на выходном патрубке и наденьте резиновый шланг сигнализатора засоренности на трубку воздухоочистителя. Закрепите двумя болтами коллектор пускового двигателя к впускному коллектору дизеля. Закрепите двумя гайками на шпильках крепления коллекторов дизеля воздухоочиститель пускового двигателя с кронштейном. Соедините рукавом карбюратор с воздухоочистителем и закрепите рукав хомутом.

Установите на выпускной коллектор дизеля валик 7 заводной рукоятки с кронштейном и закрепите четырьмя болтами. Подсоедините к карбюратору топливную трубку и тягу регулятора.

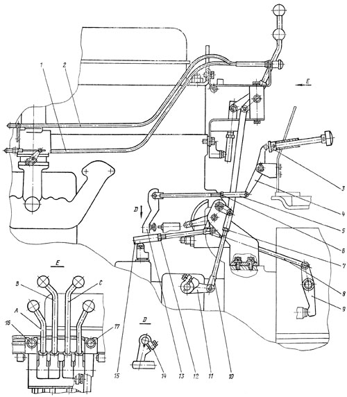
Установка тяг управления П-23У

Установите рукоятки А и С мостика управления (рис. 100) в верхнее переднее положение.

Управление пусковым двигателем
Рис. 100. Управление пусковым двигателем

Установите рычаги 11 редуктора муфты сцепления на свои места и закрепите стяжными болтами. Поверните рычаг 14 муфты сцепления против часовой стрелки до упора. Установите рычагом 11 шестерни редуктора в положение ускоренной передачи. Вверните в рычаг 14 шаровой наконечник в сборе с тягой 15. Отрегулируйте длину тяги до совмещения проушины с отверстием рычага мостика управления. Соедините тягу с рычагом пальцем. Зашплинтуйте палец и застопорите тягу гайкой 12.

Вращением тяги 10 совместите отверстия рычага 11 редуктора и тяги. Соедините тягу с рычагом пальцем. Зашплинтуйте палец и застопорите тягу гайкой 7. Присоедините к рычагу 13 стартера тягу 5. Поверните рычаг 4 до касания в упор 3. Отрегулируйте длину тяги 5 до совпадения отверстий в тяге и рычаге 4. Соедините тягу с рычагом пальцем. Зашплинтуйте палец и застопорите тягу гайкой 6. Присоедините к карбюратору тросики управления воздушной 2 и дроссельной 1 заслонками, обеспечив полное открытие и закрытие заслонок при перемещении ручек 16 и 17.

Убедитесь в правильном положении рычага 9 включения пусковой шестерни. При поставленной в переднее положение рукоятке В мостика управления рычаг включения должен касаться пятки муфты включения редуктора. Регулируйте положение рычага изменением длины тяги 8.

Установите заднюю крышу капота и воздухозаборник. Залейте в радиатор дизеля охлаждающую жидкость, а в поддон пускового двигателя — моторное масло.

Снятие и установка пускового двигателя