Запасные части ЧТЗ Запасные части ЧТЗ
Севастополь
Например:
Актобе
Алдан
или
Выбрать автоматически
Актобе
Алдан
Алматы
Алчевск
Архангельск
Астана
Астрахань
Атырау
Баку
Балашиха
Барнаул
Белгород
Бердянск
Бишкек
Владивосток
Владикавказ
Воркута
Воронеж
Горловка
Грозный
Донецк
Екатеринбург
Иваново
Ижевск
Иркутск
Казань
Калининград
Каменск-Уральский
Караганда
Каховка
Кемерово
Киров
Комсомольск-на-Амуре
Костанай
Краснодар
Красноярск
Красный луч
Ленск
Луганск
Магадан
Магнитогорск
Макеевка
Махачкала
Мелитополь
Минск
Мирный (Якутия)
Москва
Мурманск
Нерюнгри
Нижневартовск
Нижний Новгород
Нижний Тагил
Новая каховка
Новокузнецк
Новосибирск
Новый Уренгой
Норильск
Ноябрьск
Нур-Султан
Омск
Оренбург
Ош
Павлодар
Пермь
Петрозаводск
Петропавловск
Петропавловск-Камчатский
Псков
Ростов-на-Дону
Салехард
Самара
Санкт-Петербург
Саратов
Севастополь
Семей
Симферополь
Сочи
Ставрополь
Сургут
Сыктывкар
Тараз
Ташкент
Токмак
Томск
Тында
Тюмень
Ульяновск
Усинск
Усть-Каменогорск
Уфа
Хабаровск
Ханты-Мансийск
Херсон
Челябинск
Чита
Шымкент
Экибастуз
Энергодар
Южно-Сахалинск
Якутск
Ваш город
Севастополь
Войти
Запасные части к тракторам на одном сайте
+7 (932) 303-00-10
+7 (932) 303-00-10
г. Севастополь, ул. Отрадная, д. 17/1
Пн-Пт: 9:30-18:30 Cб-Вс: Выходной
Отправить заявку


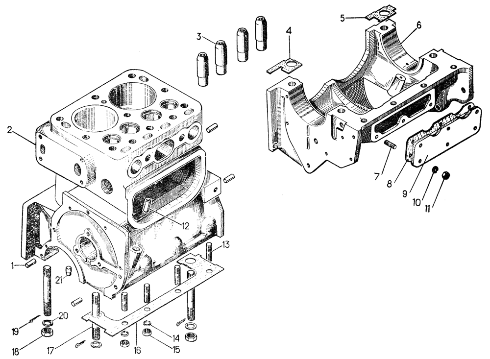
Блок-картер пускового двигателя на Т-130


/
с НДС 20%
Описание
Блок-картер пускового двигателя на Т-130
# Номер запчасти Наименование детали Кол-во в сборке
- 17-01-112-1СП Блок-картер 1
1 3228 Штифт 4
2 17-01-1-2 7 Блок цилиндров 1
3 01504 8 Втулка клапана 4
4 40302 Прокладка 1
5 40303 Прокладка 1
6 01503 7 Нижняя часть картера-поддон 1
7 29363 Шпилька 6
8 46563 Прокладка 1
9 01852 Крышка бокового люка 1
10 - Шайба 6Т 65Г 09 6
11 - ГайкаМ6.6.019 6
12 01505 Втулка 1
13 Д24.210 Шпилька 4
14 - Шайба 10ОТ 65 Г 09 4
15 3083 Гайка 4
16 40304 Прокладка 1
17 2999 Шпилька 4
18 3082 Гайка 4
19 - Шплинт 2X20 4
20 01207 Дистанционная шайба 4
21 01310 Штифт установочный 1
7 Заказывать 17-01-112-1СП.
8 Отдельно не поставляется, заказывать ремонтные комплект.
Блок-картер пускового двигателя