Запасные части ЧТЗ Запасные части ЧТЗ
Севастополь
Например:
Актобе
Алдан
или
Выбрать автоматически
Актобе
Алдан
Алматы
Алчевск
Архангельск
Астана
Астрахань
Атырау
Баку
Балашиха
Барнаул
Белгород
Бердянск
Бишкек
Владивосток
Владикавказ
Воркута
Воронеж
Горловка
Грозный
Донецк
Екатеринбург
Иваново
Ижевск
Иркутск
Казань
Калининград
Каменск-Уральский
Караганда
Каховка
Кемерово
Киров
Комсомольск-на-Амуре
Костанай
Краснодар
Красноярск
Красный луч
Ленск
Луганск
Магадан
Магнитогорск
Макеевка
Махачкала
Мелитополь
Минск
Мирный (Якутия)
Москва
Мурманск
Нерюнгри
Нижневартовск
Нижний Новгород
Нижний Тагил
Новая каховка
Новокузнецк
Новосибирск
Новый Уренгой
Норильск
Ноябрьск
Нур-Султан
Омск
Оренбург
Ош
Павлодар
Пермь
Петрозаводск
Петропавловск
Петропавловск-Камчатский
Псков
Ростов-на-Дону
Салехард
Самара
Санкт-Петербург
Саратов
Севастополь
Семей
Симферополь
Сочи
Ставрополь
Сургут
Сыктывкар
Тараз
Ташкент
Токмак
Томск
Тында
Тюмень
Ульяновск
Усинск
Усть-Каменогорск
Уфа
Хабаровск
Ханты-Мансийск
Херсон
Челябинск
Чита
Шымкент
Экибастуз
Энергодар
Южно-Сахалинск
Якутск
Ваш город
Севастополь
Войти
Запасные части к тракторам на одном сайте
+7 (932) 303-00-10
+7 (932) 303-00-10
г. Севастополь, ул. Отрадная, д. 17/1
Пн-Пт: 9:30-18:30 Cб-Вс: Выходной
Отправить заявку


Механизм навески на Т-130


/
с НДС 20%
Описание
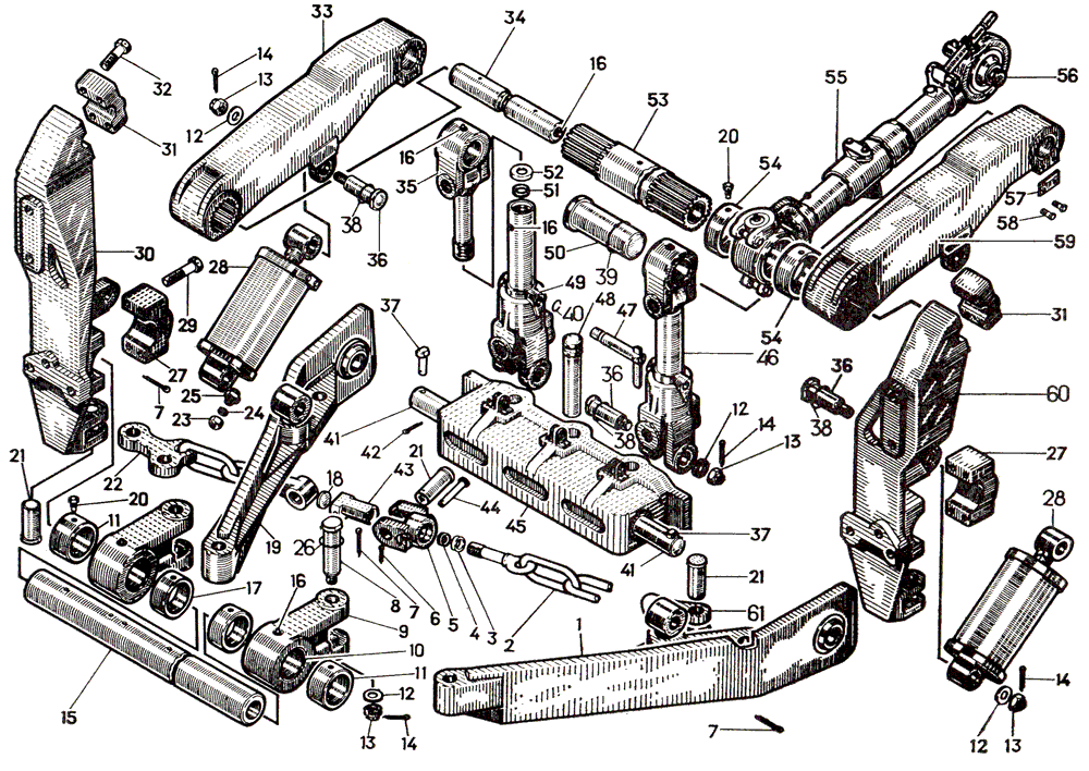
Механизм навески 266СП на Т-130
# Номер запчасти Наименование детали Кол-во в сборке
261406СП Вилка 2
261535СП Цепь 2
40-26-126СП Прицепное устройство 1
1 261402СП Тяга продольная левая 1
2 40-26-130СП Цепь 2
3 261451 Обойма 2
4 46838 Кольцо 2
5 261524 Вилка 2
6 Шплинт 3,2×32 2
7 Шплинт 8×80 2
8 50-26-1103 Палец 2
9 261466 Вилка 2
10 261598 Втулка 2
11 261430 Проставка 2
12 3177 Шайба 8
13 3027 Гайка 8
14 Шплинт 5×70 4
15 261418 Ось нижняя 1
16 Масленка 1.3.Ц6 4
17 261431 Проставка 2
18 18-17-9 Заглушка 2
19 261401СП Тяга продольная правая 1
20 35286 Винт 8
21 261533 Палец 2
22 40-26-129СП Цепь 2
23 40-26-90 Колпак 2
24 700-40-2395 Прокладка 2
25 H036.04.011 Штуцер 2
26 700-58-2432 Кольцо 2
27 261422 Бугель нижний 2
28 Ц125.250.160.001-II Гидроцилиндр 2
29 28622 Болт 8
30 40-26-58 Кронштейн 1
31 261421 Бугель верхний 2
32 28621 Болт 8
33 40-26-144СП Рычаг 1
34 40-26-61 Ось верхняя 1
35 40-26-120СП Винт 2
36 50-26-1102 Палец 6
37 261464 Палец 2
38 700-58-2431 Кольцо 6
39 700-58-2444 Кольцо 2
40 700-58-2434 Кольцо 2
41 261474 Палец 2
42 Шплинт 5×40 8
43 261532 Г айка 2
44 261525 Палец 2
45 40-26-127СП Площадка 1
46 261403СП Раскос 2
47 261432СП Палец 2
48 20348 Штырь 1
49 40-26-121СП Вилка 2
50 50-26-1101 Палец 2
51 46839 Кольцо 2
52 261438 Обойма 2
53 40-26-145СП Вал 1
54 261415 Проставка 2
55 261400СП Тяга центральная 1
56 261409СП Палец 1
57 261426 Планка 2
58 28598 Болт 4
59 40-26-63 Рычаг 1
60 40-26-57 Кронштейн 1
61 261449 Звено соединительное 2
Механизм навески