Запасные части ЧТЗ Запасные части ЧТЗ
Севастополь
Например:
Актобе
Алдан
или
Выбрать автоматически
Актобе
Алдан
Алматы
Алчевск
Архангельск
Астана
Астрахань
Атырау
Баку
Балашиха
Барнаул
Белгород
Бердянск
Бишкек
Владивосток
Владикавказ
Воркута
Воронеж
Горловка
Грозный
Донецк
Екатеринбург
Иваново
Ижевск
Иркутск
Казань
Калининград
Каменск-Уральский
Караганда
Каховка
Кемерово
Киров
Комсомольск-на-Амуре
Костанай
Краснодар
Красноярск
Красный луч
Ленск
Луганск
Магадан
Магнитогорск
Макеевка
Махачкала
Мелитополь
Минск
Мирный (Якутия)
Москва
Мурманск
Нерюнгри
Нижневартовск
Нижний Новгород
Нижний Тагил
Новая каховка
Новокузнецк
Новосибирск
Новый Уренгой
Норильск
Ноябрьск
Нур-Султан
Омск
Оренбург
Ош
Павлодар
Пермь
Петрозаводск
Петропавловск
Петропавловск-Камчатский
Псков
Ростов-на-Дону
Салехард
Самара
Санкт-Петербург
Саратов
Севастополь
Семей
Симферополь
Сочи
Ставрополь
Сургут
Сыктывкар
Тараз
Ташкент
Токмак
Томск
Тында
Тюмень
Ульяновск
Усинск
Усть-Каменогорск
Уфа
Хабаровск
Ханты-Мансийск
Херсон
Челябинск
Чита
Шымкент
Экибастуз
Энергодар
Южно-Сахалинск
Якутск
Ваш город
Севастополь
Войти
Запасные части к тракторам на одном сайте
+7 (932) 303-00-10
+7 (932) 303-00-10
г. Севастополь, ул. Отрадная, д. 17/1
Пн-Пт: 9:30-18:30 Cб-Вс: Выходной
Отправить заявку


Прицепное устройство на Т-130


/
с НДС 20%
Описание
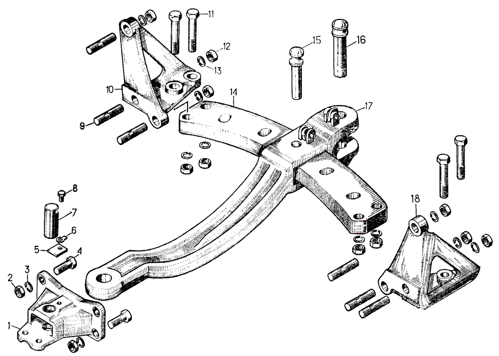
Прицепное устройство 20400СП на Т-130
# Номер запчасти Наименование детали Кол-во в сборке
1 20444 Кронштейн передний 1
2 Гайка М24.6.019 4
3 Шайба 24Т 65Г 09 4
4 Болт М24×75.88.45.019 4
5 20446 Планка 1
6 700-31-2482 Шайба 1
7 20445 Ось 1
8 Болт М12×1,25×25.58.019 1
9 29338 Шпилька 6
10 20340 Кронштейн левый 1
11 28446 Болт 4
12 Гайка М30×2.8.019 10
13 Шайба 30Н 65Г 09 10
14 20472 Площадка 1
15 20347 Штырь площадки 1
16 20348 Штырь серьги 1
17 21-51-112СП Серьга 1
18 20341 Кронштейн правый 1
Прицепное устройство