Запасные части ЧТЗ Запасные части ЧТЗ
Севастополь
Например:
Актобе
Алдан
или
Выбрать автоматически
Актобе
Алдан
Алматы
Алчевск
Архангельск
Астана
Астрахань
Атырау
Баку
Балашиха
Барнаул
Белгород
Бердянск
Бишкек
Владивосток
Владикавказ
Воркута
Воронеж
Горловка
Грозный
Донецк
Екатеринбург
Иваново
Ижевск
Иркутск
Казань
Калининград
Каменск-Уральский
Караганда
Каховка
Кемерово
Киров
Комсомольск-на-Амуре
Костанай
Краснодар
Красноярск
Красный луч
Ленск
Луганск
Магадан
Магнитогорск
Макеевка
Махачкала
Мелитополь
Минск
Мирный (Якутия)
Москва
Мурманск
Нерюнгри
Нижневартовск
Нижний Новгород
Нижний Тагил
Новая каховка
Новокузнецк
Новосибирск
Новый Уренгой
Норильск
Ноябрьск
Нур-Султан
Омск
Оренбург
Ош
Павлодар
Пермь
Петрозаводск
Петропавловск
Петропавловск-Камчатский
Псков
Ростов-на-Дону
Салехард
Самара
Санкт-Петербург
Саратов
Севастополь
Семей
Симферополь
Сочи
Ставрополь
Сургут
Сыктывкар
Тараз
Ташкент
Токмак
Томск
Тында
Тюмень
Ульяновск
Усинск
Усть-Каменогорск
Уфа
Хабаровск
Ханты-Мансийск
Херсон
Челябинск
Чита
Шымкент
Экибастуз
Энергодар
Южно-Сахалинск
Якутск
Ваш город
Севастополь
Войти
Запасные части к тракторам на одном сайте
+7 (932) 303-00-10
+7 (932) 303-00-10
г. Севастополь, ул. Отрадная, д. 17/1
Пн-Пт: 9:30-18:30 Cб-Вс: Выходной
Отправить заявку


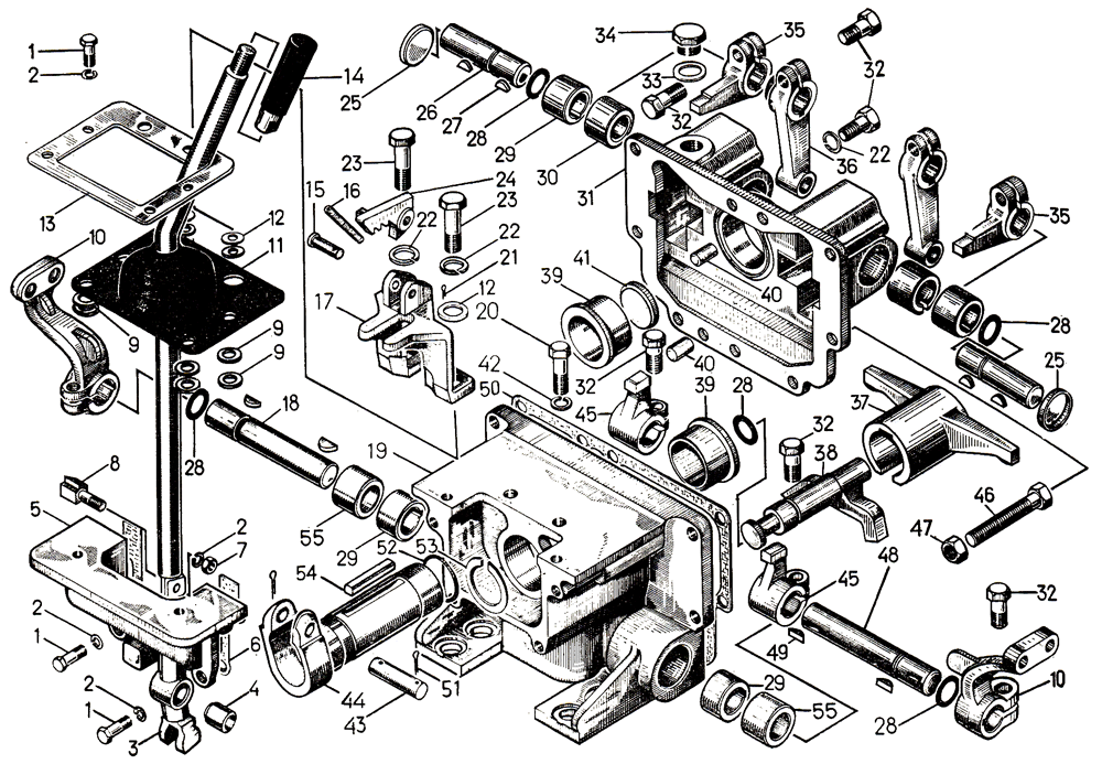
Механизм управления поворотом на Т-130


/
с НДС 20%
Описание
Механизм управления поворотом 24-13-1СП на Т-130
# Номер запчасти Наименование детали Кол-во в сборке
24-13-102СП Корпус 1
24-13-103СП Корпус 1
24-13-104СП Крышка 1
1 Болт М8×20.58.019 8
2 Шайба 8Т 65Г 09 9
3 24-13-101СП Рычаг 1
4 35-13-18 Втулка 1
5 24-13-6 Кожух 1
6 700-40-3115 Прокладка 1
7 Гайка М8.6.019 1
8 35-13-15 Зуб 1
9 31434 Шайба 12
10 50-13-29 Рычаг 2
11 700-40-2590 Чехол 1
12 31308 Шайба 6
13 50-13-21 Рамка 1
14 15202СП Рукоятка 1
15 35-13-20 Палец 1
16 700-38-2089 Пружина 1
17 24-13-33 Кронштейн 1
18 24-13-21 Валик 1
19 24-13-3 1 Корпус 1
20 284S1 Болт 4
21 Шплинт 2×14 1
22 10ОТ 65Г 09 2
23 Болт М10×35.58.019 2
24 24-13-8 Рычаг 1
25 13410 Заглушка 2
26 24-13-18 Валик 2
27 700-34-2040 Шпонка 4
28 Кольцо 020-025-30-2-2 5
29 50-15-22 Втулка 2
30 50-13-26 Втулка 2
31 24-13-4 1 Крышка 1
32 Болт М10×25.58.019 6
33 Кольцо 22×30 1
34 2621 Пробка 1
35 35-13-11-1 Рычаг 2
36 18-17-29-1 Рычаг 2
37 35-13-9 Рычаг 1
38 50-13-101СП Рычаг 1
39 35-13-16-1 Втулка 2
40 32232 Штифт 2
41 18-17-9 Заглушка 1
42 16ОТ 65Г 09 4
43 35-13-30 Палец 1
44 24-13-105СП Валик 1
45 50-13-2 Рычаг 2
46 700-28-2381 Болт 2
47 Гайка M10.6.019 2
48 24-13-20 Валик 1
49 34128 Шпонка 4
50 700-40-3114 Прокладка 1
51 Шплинт 3,2×25 2
52 Кольцо 038-046-46-2-2 1
53 18-17-87 Кольцо 1
54 700-34-2048 Шпонка 1
55 50-13-56 Втулка 2
1 Отдельно не поставляется, заказывать комплект 24-13-102СП.
Механизм управления поворотом