Запасные части ЧТЗ Запасные части ЧТЗ
Севастополь
Например:
Актобе
Алдан
или
Выбрать автоматически
Актобе
Алдан
Алматы
Алчевск
Архангельск
Астана
Астрахань
Атырау
Баку
Балашиха
Барнаул
Белгород
Бердянск
Бишкек
Владивосток
Владикавказ
Воркута
Воронеж
Горловка
Грозный
Донецк
Екатеринбург
Иваново
Ижевск
Иркутск
Казань
Калининград
Каменск-Уральский
Караганда
Каховка
Кемерово
Киров
Комсомольск-на-Амуре
Костанай
Краснодар
Красноярск
Красный луч
Ленск
Луганск
Магадан
Магнитогорск
Макеевка
Махачкала
Мелитополь
Минск
Мирный (Якутия)
Москва
Мурманск
Нерюнгри
Нижневартовск
Нижний Новгород
Нижний Тагил
Новая каховка
Новокузнецк
Новосибирск
Новый Уренгой
Норильск
Ноябрьск
Нур-Султан
Омск
Оренбург
Ош
Павлодар
Пермь
Петрозаводск
Петропавловск
Петропавловск-Камчатский
Псков
Ростов-на-Дону
Салехард
Самара
Санкт-Петербург
Саратов
Севастополь
Семей
Симферополь
Сочи
Ставрополь
Сургут
Сыктывкар
Тараз
Ташкент
Токмак
Томск
Тында
Тюмень
Ульяновск
Усинск
Усть-Каменогорск
Уфа
Хабаровск
Ханты-Мансийск
Херсон
Челябинск
Чита
Шымкент
Экибастуз
Энергодар
Южно-Сахалинск
Якутск
Ваш город
Севастополь
Войти
Запасные части к тракторам на одном сайте
+7 (932) 303-00-10
+7 (932) 303-00-10
г. Севастополь, ул. Отрадная, д. 17/1
Пн-Пт: 9:30-18:30 Cб-Вс: Выходной
Отправить заявку


Электрооборудование погрузчика ПК46


/
с НДС 20%
Описание
ПК46.41.00.000 Электрооборудование погрузчика ПК46
Поз. Обозначение Наименование Кол.
1 027.36.11.575-01 Хомут 18
2 ПК46.41.01.000 Электрооборудование кабины погрузчика 1
3 Стяжка (Хомут) К-250МВ 10
4 027.36.11.571-01 Хомут 2


Рис. 61.2. Электрооборудование погрузчика

5 Скоба 14569980 10
6 027.36.11.517 Хомут 9
7 Болт M6-6g×16.58.019 (S10) ГОСТ 7798-70 53


Рис. 61.3. Электрооборудование погрузчика

8 Стяжка (Хомут) К-200МВ 30
9 ПК46.41.01.015 Прокладка 15
10 027.36.11.571 Хомут 7
11 Батарея аккумуляторная 6СТ-190А ТУ 16-729.384-83 2
12 Гайка М10-6Н.5.019 (S16) ГОСТ 5915-70 4
13 Шайба 10.65Г.019 ГОСТ 6402-70 5
14 Шайба С.10.02.019 ГОСТ 11371-78 5
15 Болт M10-6g×35.58.019 (S16) ГОСТ 7798-70 4
16 Выключатель 1410.3737 ТУ 37.003.574-74 1
17 Болт М6-6g×20.58.019 (S10) ГОСТ 7798-70 2
18 Шайба С.6.02.019 ГОСТ 11371-78 56
19 Шайба 6.65Г.019 ГОСТ 6402-70 73
20 Болт М10-6g×20.58.019 (S16) ГОСТ 7798-70 1
21 Кольцо Д395А-0401300 4
22 Соединитель СЦАЗ-2-6-Р-01 2
23 Фонарь задний 171.3716010-01 ГОСТ 6964-72 2
24 ПК46.41.00.001 Планка 4
25 Гайка М6-6Н.5.019 (S10) ГОСТ 5915-70 14


Рис. 61.5. Датчики ПК46

26 Датчик указателя давления 18.3829.010 ТУ 37.003.367-78 1
27 Датчик-сигнализатор давления ММ 111Д ТУ311 -00225621.151-93 1


Рис. 61.7. Транзисторный коммутатор с катушкой зажигания

28 Транзисторный коммутатор с катушкой зажигания в сборе ТК 107А ТУ 37.003.484-78 1


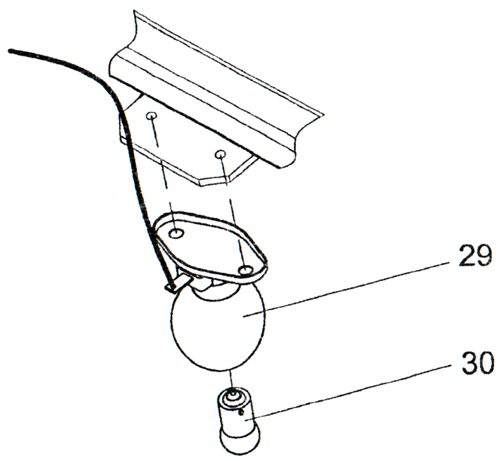
Рис. 61.8. Лампа подкапотная ПК46

29 Лампа подкапотная ПД308Б 2
30 Лампа А 24-21-3 (P21W) ГОСТ 2023.1-88 2


Рис. 61.9. Сигнал звуковой ПК46

31 Сигнал звуковой С313 ТУ 37.003.688-75 1


Рис. 61.10. Датчик ТМ111 сигнализатор температуры ПК46

32 Датчик-сигнализатор температуры ТМ111 ТУ 37.003.569-90 1


Рис. 61.11. Датчик ТМ100 указателя температуры ПК46

33 Датчик указателя температуры ТМ100-В ТУ 37.003.1036-80 2


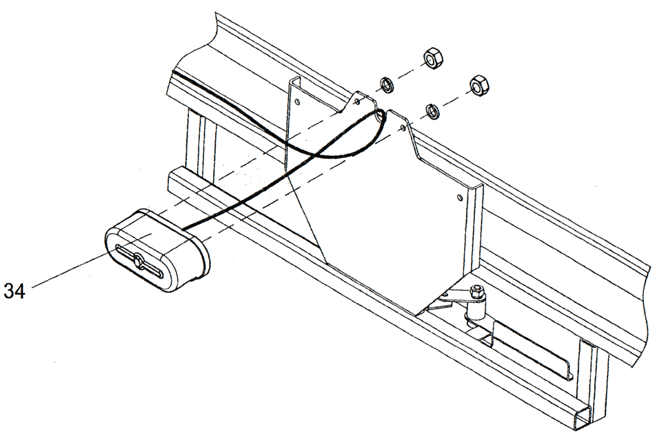
Рис. 61.13. Фонарь ФП134Б освещения номерного знака ПК46

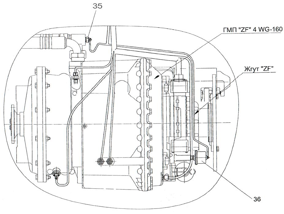
34 Фонарь освещения номерного знака ФП134Б ТУ 37.003.675-82 1


Рис. 61.14. Световозвращатель ФП311 ПК46

35 Световозвращатель ФП311-02 ГОСТ 6964-72 4


Рис. 61.15. Датчик 11.3829.010 указателя давления ПК46

36 Датчик указателя давления 11.3829.010 ТУ 37.003.367-78 1


Рис. 61.16. Установка фар ПК46

37 027.36.11.556 Хомут 9
38 Кольцо Д395А-0401269 2
39 Правая фара 05.479.000 1
40 ПК46.41.00.010-01 Опора фары 1
41 Болт М10-6g×16.58.019 (S16) ГОСТ 7798-70 8
42 ПК46.41.00.010 Опора фары 1
43 Левая фара 05.483.000 1
44 ПК46.41.00.020 Установка кронштейнов фар 1

Рис. 61.4. Генератор Г273-В-1 ПК46

Рис. 61.6. Стартер 25.3708-01 ПК46


Рис. 61.12. Электрооборудование погрузчика

Электрооборудование погрузчика