Запасные части ЧТЗ Запасные части ЧТЗ
Севастополь
Например:
Актобе
Алдан
или
Выбрать автоматически
Актобе
Алдан
Алматы
Алчевск
Архангельск
Астана
Астрахань
Атырау
Баку
Балашиха
Барнаул
Белгород
Бердянск
Бишкек
Владивосток
Владикавказ
Воркута
Воронеж
Горловка
Грозный
Донецк
Екатеринбург
Иваново
Ижевск
Иркутск
Казань
Калининград
Каменск-Уральский
Караганда
Каховка
Кемерово
Киров
Комсомольск-на-Амуре
Костанай
Краснодар
Красноярск
Красный луч
Ленск
Луганск
Магадан
Магнитогорск
Макеевка
Махачкала
Мелитополь
Минск
Мирный (Якутия)
Москва
Мурманск
Нерюнгри
Нижневартовск
Нижний Новгород
Нижний Тагил
Новая каховка
Новокузнецк
Новосибирск
Новый Уренгой
Норильск
Ноябрьск
Нур-Султан
Омск
Оренбург
Ош
Павлодар
Пермь
Петрозаводск
Петропавловск
Петропавловск-Камчатский
Псков
Ростов-на-Дону
Салехард
Самара
Санкт-Петербург
Саратов
Севастополь
Семей
Симферополь
Сочи
Ставрополь
Сургут
Сыктывкар
Тараз
Ташкент
Токмак
Томск
Тында
Тюмень
Ульяновск
Усинск
Усть-Каменогорск
Уфа
Хабаровск
Ханты-Мансийск
Херсон
Челябинск
Чита
Шымкент
Экибастуз
Энергодар
Южно-Сахалинск
Якутск
Ваш город
Севастополь
Войти
Запасные части к тракторам на одном сайте
+7 (932) 303-00-10
+7 (932) 303-00-10
г. Севастополь, ул. Отрадная, д. 17/1
Пн-Пт: 9:30-18:30 Cб-Вс: Выходной
Отправить заявку


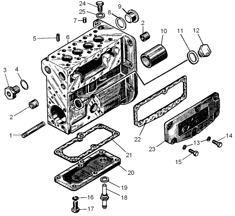
Блок топливного насоса на Т10М / Б10М


/
с НДС 20%
Описание
Блок топливного насоса на Т10М
# Номер запчасти Наименование детали Кол-во в сборке
1 Шпилька 2М8× 1,25-3р/1-6g ×38.66.029 1 4
2 67204 1 Втулка 2
3 700-41-3395 1 Штуцер 1
4 40910 1 Кольцо 2
5 67209 1 Трубка 4
6 67203-02 1 Блок 1
7 32208 1 Штифт 8
8 40747 Кольцо 1
9 67248 Заглушка 1
10 67205 1 Втулка 1
11 700-40-260-16 Прокладка 1
12 700-37-5001 Пробка 1
13 - Шайба 8Т 65Г 09 6
14 28447 Болт 1
15 - Болт M8-6g×12.88.35.019 4
16 - Шайба 10 ОТ 65Г 09 6
17 - Болт М10×20.58.019 6
18 51-41-139СП Трубка 1
19 700-40-333-02 Прокладка 1
20 67242-2 Крышка 1
21 40746 Прокладка 1
22 40745 Прокладка 2
23 14-67-5-2 Крышка 1
24 700-40-2281 2 Пробка 1
25 51-06-8 2 Кольцо 1
1 Заказывать комплект 51-67-117-01СП.
2 При поставке блока топливного насоса в запчасть.
Блок топливного насоса