Запасные части ЧТЗ Запасные части ЧТЗ
Севастополь
Например:
Актобе
Алдан
или
Выбрать автоматически
Актобе
Алдан
Алматы
Алчевск
Архангельск
Астана
Астрахань
Атырау
Баку
Балашиха
Барнаул
Белгород
Бердянск
Бишкек
Владивосток
Владикавказ
Воркута
Воронеж
Горловка
Грозный
Донецк
Екатеринбург
Иваново
Ижевск
Иркутск
Казань
Калининград
Каменск-Уральский
Караганда
Каховка
Кемерово
Киров
Комсомольск-на-Амуре
Костанай
Краснодар
Красноярск
Красный луч
Ленск
Луганск
Магадан
Магнитогорск
Макеевка
Махачкала
Мелитополь
Минск
Мирный (Якутия)
Москва
Мурманск
Нерюнгри
Нижневартовск
Нижний Новгород
Нижний Тагил
Новая каховка
Новокузнецк
Новосибирск
Новый Уренгой
Норильск
Ноябрьск
Нур-Султан
Омск
Оренбург
Ош
Павлодар
Пермь
Петрозаводск
Петропавловск
Петропавловск-Камчатский
Псков
Ростов-на-Дону
Салехард
Самара
Санкт-Петербург
Саратов
Севастополь
Семей
Симферополь
Сочи
Ставрополь
Сургут
Сыктывкар
Тараз
Ташкент
Токмак
Томск
Тында
Тюмень
Ульяновск
Усинск
Усть-Каменогорск
Уфа
Хабаровск
Ханты-Мансийск
Херсон
Челябинск
Чита
Шымкент
Экибастуз
Энергодар
Южно-Сахалинск
Якутск
Ваш город
Севастополь
Войти
Запасные части к тракторам на одном сайте
+7 (932) 303-00-10
+7 (932) 303-00-10
г. Севастополь, ул. Отрадная, д. 17/1
Пн-Пт: 9:30-18:30 Cб-Вс: Выходной
Отправить заявку


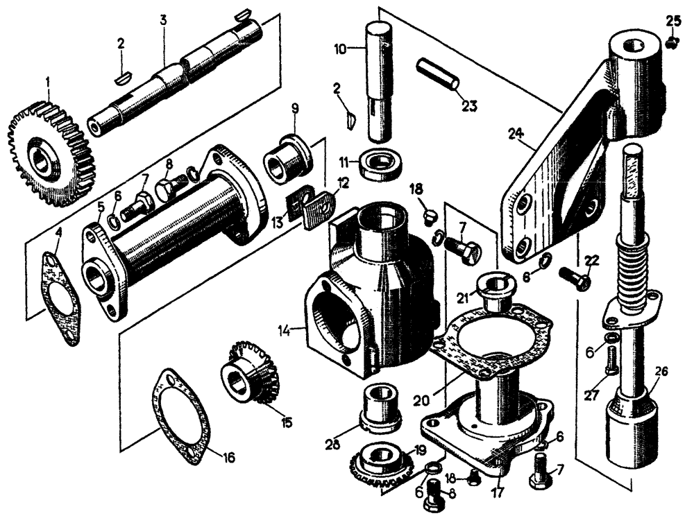
Механизм проворачивания коленчатого вала пускового двигателя на Т10М / Б10М


/
с НДС 20%
Описание
Механизм проворачивания коленчатого вала пускового двигателя на Т10М
#Номер запчастиНаименование деталиКол-во в сборке
117-01-22Шестерня1
234126Шпонка2
317-74-257Валик1
4700-40-6763Прокладка1
517-74-284 1Кронштейн1
6-Шайба 10 ОТ 65Г 096
7-Болт М10x25.58.0195
8-Болт М10x20.58.0191
917-74-283 1Втулка1
1017-74-282-01 2Валик1
11-Манжета 2.2-22x40-2 21
12700-40-3110Прокладка1
13700-40-3109Прокладка10
1417-74-280-01 2Корпус1
1574116Шестерня1
1640957Прокладка1
1774120 2Опора1
18371-01 2Пробка2
1974123Шестерня1
2040956 2Прокладка1
2174121-1 2Втулка1
22-Болт М10x30.58.0194
2374124 2Палец1
2451-74-1Кронштейн1
25-Масленка 1.3.Ц61
2616-74-101СПВалик1
27-Болт М10x22.58.0192
2817-74-283-01 2Втулка1
1 Заказывать комплект 17-74-198СП
2 Заказывать комплект 17-74-210СП
Механизм проворачивания коленчатого вала пускового двигателя